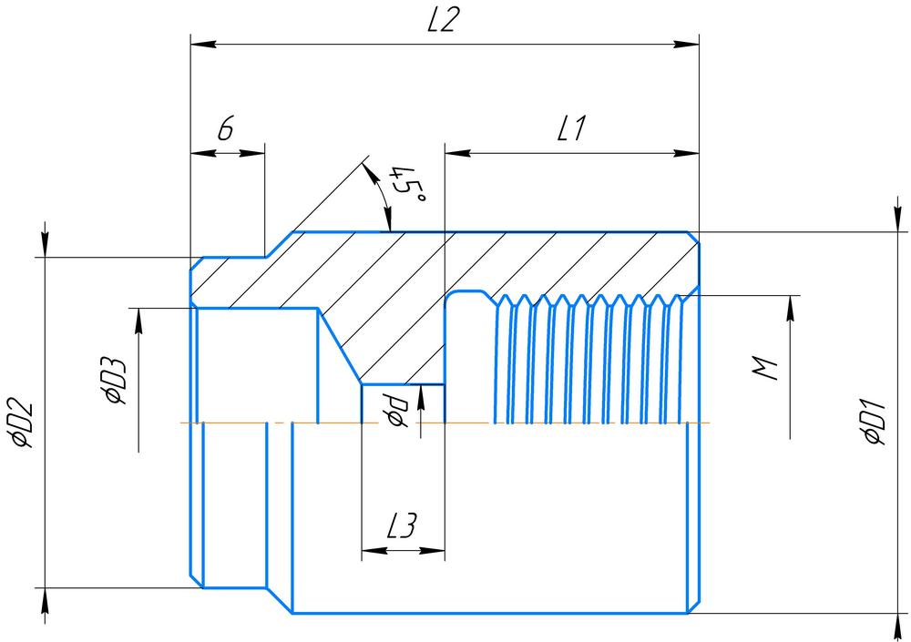
Бобышки устанавливаются на месте эксплуатации путём приварки. Бобышки предназначены для установки датчиков с подвижным или неподвижным штуцером и подразделяются в зависимости от длины бобышки и размера присоединительной резьбы, а также материала бобышки. Бобышки по умолчанию изготавливаются из стали СТ20. Также они могут изготавливаться из нержавеющей стали 12Х18Н10Т(AISI304). В этом случае к обозначению добавляется через дефис буква «Н».
| Наименование | Внутренняя резьба М | ØD1 | ØD2 | ØD3 | Ød | L1 | L2 | L3 |
| БС2-М10х1-L2 | М10×1 | 21 | 17 | 9 | 5 | 10 | 25, 40, 60, 80, 100 | 6 |
| БС2-М12х1.5-L2 | М12×1.5 | 22 | 18 | 10 | 7 | 12 | 40, 60, 80, 100 | 10 |
| БС2-М16х1.5-L2 | М16×1.5 | 26 | 22 | 14 | 7 | 14 | 40, 60, 80, 100 | 10 |
| БС2-G1/4-L2 | G1/4" | 23 | 19 | 11 | 7 | 12 | 40, 60, 80, 100 | 10 |
| БС2-М20х1.5-L2 | М20×1.5 | 30 | 26 | 18 | 11 | 16 | 40, 60, 80, 100 | 10 |
| БС2-G1/2-L2 | G1/2" | 30 | 26 | 18 | 11 | 16 | 40, 60, 80, 100 | 10 |

Главный офис компании переезжает на новый адрес.
Уважаемые украинские коллеги, приборы НПК "Рэлсиб" г. Новосибирск вы можете легко и просто купить у нашего белорусского дилера ООО «Белросизмерение».
Задайте свой вопрос: