• удобство монтажа
• высокая точность
• хороший доступ к клеммам при теплоизоляции трубы

Датчики температуры в исполнении Т.п/п–420–Кл2 с унифицированным токовым выходом 4–20 мА предназначены для контроля температуры поверхности плоских объектов, для контроля температуры поверхности труб в системах отопления (HVAC):
– конструктивного исполнения Кл2–1 – поверхности сосудов, плит и т.д.;
– конструктивного исполнения Кл2–2 – труб различных диаметров.
Датчик Кл2-1 снабжен круговым фланцем с тремя отверстиями и с резиновым уплотнителем. При помощи трех винтов термометр легко крепится к плоской поверхности, обеспечивая хороший тепловой контакт. Датчик Кл2-2 имеет выпуклую пластину смешанной формы. При помощи стандартного хомута* необходимого диаметра, датчик легко и надежно крепится к трубе.
![]() |
![]() |
| Кл2-1 | Кл2-2 |
| Диаметр монтажной части (вала), мм | 6 |
| Длина монтажной части (вала), мм | 50,0 |

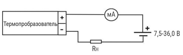
где мА – миллиамперметр или другой измерительный прибор с токовым входом;
Rн – сопротивление нагрузки не более 1,0 кОм
См. также Поверхностные термопреобразователи сопротивления ТСМ (ТСП)-Кл2
Индикатор сигналов тока для визуализации измеренных величин ИТС 4-20
| Характеристика | Параметр | |
| Тип чувствительного элемента | полупроводниковый датчик ТС1047 | |
| Напряжение питания | от 7,5 до 36 В | |
| Диапазон преобразования температуры | 4 мА | 20 мА |
| –40 °C | +125 °C | |
| –40 °C | +100 °C | |
| 0 °C | +100 °C | |
| Предел допускаемой абсолютной погрешности | не более ±0,5 % от диапазона преобразования | |
| Диаметр монтажной части (вала) | 6,0 | |
| Длина монтажной части (вала), мм | 20,0; 40,0; 60,0; 80,0; 100,0; 200,0 | |
| Степень защиты от воздействия воды и пыли | IP44 по ГОСТ 14254–96 | |
| Средняя наработка на отказ, ч | не менее 40000 | |
| Средний срок службы, лет | не менее 6 | |
Главный офис компании переезжает на новый адрес.
Уважаемые украинские коллеги, приборы НПК "Рэлсиб" г. Новосибирск вы можете легко и просто купить у нашего белорусского дилера ООО «Белросизмерение».
Задайте свой вопрос: