• Диапазоны преобразования температуры:
- Т.п/п–420: -40...+125°С; -40...+100°С; 0...+100°С
- Т.ХА–420: 0...+300°С; 0...+500°С; 0...+800°С
• Предел допускаемой абсолютной погрешности не более ±0,5%

Датчики констуктивного исполнения 420-DIN с унифицированным токовым сигналом 4...20 мА предназначены для измерения температуры жидких, паро– газообразных сред, сыпучих материалов и других сред, неагрессивных к материалу защитной арматуры. Датчики с выходом 4...20мА используются тогда, когда расстояние от точки контроля температуры до прибора может достигать до 1000 м, а также совместно с приборами с унифицированным токовым входным сигналом 4 … 20 мА.
Датчики 420-DIN предназначены для замены импортных аналогов.
В датчиках температуры Т.п/п-420-DIN используется полупроводниковый элемент ТС 1047 фирмы «Microchip», в датчиках Т.ХА-420-DIN - преобразователь термоэлектрический с НСХ ХА (К) по ГОСТ Р 8.585–2001.

| Обозначение при заказе | М, мм | l1, мм | D, мм | l, мм |
| Din М10×1.l | М10×1 | 10 | 4 (ХА) | 60,0; 80,0; 120,0; 200,0 |
| Din М12×1,5.l | М12×1,5 | 12 | 4, 5 | |
| Din М16×1,5.l | М16×1,5 | 14 | 4, 5, 6 | |
| Din М20×1,5.l | М20×1,5 | 16 | 4, 5, 6 | |
| Din G3/8".l | G3/8" | 14 | 4, 5, 6 | |
| Din G1/2".l | G1/2" | 16 | 4, 5, 6 |
* l возможен заказ нестандартных размеров, уточняйте у менеджеров

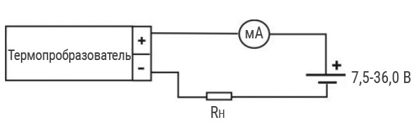
где мА – миллиамперметр или другой измерительный прибор с токовым входом;
Rн – нагрузки не более 1,0 кОм
См. также Датчик температуры с токовым выходом 4...20 мА Кл1-1 без штуцера
Датчик температуры с токовым выходом 4...20 mA Кл1-3 с неподвижным штуцером
Индикатор сигналов тока для визуализации измеренных величин ИТС 4-20
| Характеристика | Т.ХА–420-DIN | Т.п/п–420-DIN | ||
| Тип чувствительного элемента | НСХ ХА(К) по ГОСТ Р 8.585–2001 | полупроводниковый датчик ТС1047 | ||
| Напряжение питания, В | 7,5 … 36 | |||
| Диапазоны преобразования температуры,°C | 4 мА | 20 мА | 4 мА | 20 мА |
| 0 | 300 | -40 | +125 | |
| 0 | 500 | -40 | +100 | |
| 0 | 800 | 0 | +100 | |
| Предел допускаемой абсолютной погрешности | не более ±0,5 % от диапазона преобразования | |||
| Максимальное сопротивление нагрузки, кОм | 1 | |||
| Степень защиты от воздействия воды и пыли | IP44 | |||
![]() |
Для отображения сигналов 4..20 мА в выходных цепях датчиков в единицах физической величины
|
![]() |
Бобышка Б1
Для присоединения к трубам, емкостям и т.д. Сталь 3 (10), Сталь 12Х18Н10Т. Резьба: М12х1,5, М16х1,5, М20х1,5
|
![]() |
Бобышка Б2
Для присоединения к воздуховодам. Сталь 3 (10), Сталь 12Х18Н10Т. Резьба: М12х1,5, М16х1,5, М20х1,5
|
![]() |
Гильза защитная Гз1
Для присоединения к трубам, емкостям и т.д. Сталь 3 (10), Сталь 12Х18Н10Т. М8х1, М12х1,5, М16х1,5, М20х1,5
|
![]() |
Гильза защитная Гз2
Для присоединения к трубам, емкостям и т.д. с внутренней резьбой. Сталь 3 (10), Сталь 12Х18Н10Т. М16х2
|
![]() |
Гильза защитная Гз3
Для присоединения к трубам, емкостям и т.д. с внутренней резьбой. Сталь 3 (10), Сталь 12Х18Н10Т. М10х1,5
|
Главный офис компании переезжает на новый адрес.
Уважаемые украинские коллеги, приборы НПК "Рэлсиб" г. Новосибирск вы можете легко и просто купить у нашего белорусского дилера ООО «Белросизмерение».
Задайте свой вопрос: