• Два прибора в одном: терморегулятор и реле контроля уровня
• Одновременное поддержание температуры и заданного уровня жидкости
• Ток нагрузки до 16 А
• Возможность задания типа входа: 50М, 100П, Pt100
• Возможность управления нагревателем и холодильником
• Высокая точность измерения и поддержания температуры
• Постоянное и переменное напряжение питания в широком диапазоне
• Блокировка нагрева при отсутствии жидкости
• Возможность настройки под любую проводящую жидкость
• Функция защиты от волн

Также продается на:
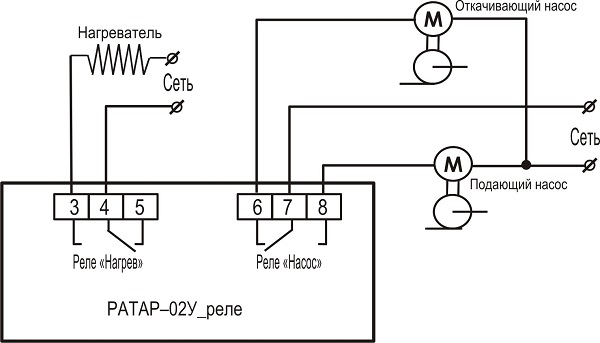
Терморегулятор Ратар-02У предназначен для автоматического поддержания температуры и заданного уровня в водонагревателях, отопительных котлах, системах горячего водоснабжения и отопления путём управления нагревателем и насосом.
Терморегулятор имеет два выходных устройства. В зависимости от модификации прибора это: э/м реле, оптотранзистор, оптосимистор. Прибор также имеет два входа: термосопротивление (50М, 100П, Pt100), два датчика уровня (нижний и верхний кондуктометрических или поплавковых).
При помощи Ратар-02У можно с успехом реализовать систему горячего водоснабжения на даче, автоматически управлять работой водонагревателя на ферме, автоматизировать парогенератор и т.д.
- докачивание до верхнего уровня, при этом второй (нижний) датчик уровня используется для аварийного отключения нагревателя;
- поддержание уровня между нижним и верхним датчиком уровня, при этом нижний датчик уровня также используется для аварийного отключения нагревателя.
В качестве датчиков уровня могут применяться кондуктометрические датчики, поплавковые и другие датчики с механическими контактами.
Для защиты от нежелательных срабатываний при волнении уровня жидкости и оптимизации работы в конкретном случае применения можно установить время задержки переключения выходного устройства поддержания уровня до 15 с.+
Для устранения поляризации и электролиза жидкостей и как следствие окисления кондуктометрических датчиков используется переменный ток частотой 4 Гц.
Для предотвращения нежелательного включения под влиянием посторонних факторов (загрязнение датчика уровня, влажность и т.д.) есть возможность настройки чувствительности входного устройства уровня.
|
Ратар-02У-Р |
Ратар-02У-C |
Ратар-02У-Т |
![]() |
![]() |
![]() |
|
Подключение кондуктометрических датчиков уровня |
Подключение датчиков уровня поплавкового типа |
Подключение датчиков температуры |
![]() |
![]() |
![]() |
См. также: Приборы контроля уровня: уровнемеры, датчики уровня и протечки >>>
|
Диапазон регулирования температуры (задания уставки) |
ТСМ.50М – от -50 до +200°С ТСП.100П и ТСП. Pt100 – от -200 до +650°С |
|
Диапазон напряжения питания |
85…250 В перемен. тока, (50±1) ГЦ или 120...250 В постоянного тока |
|
Разрешающая способность измерения температуры: |
– 1,0°С в диапазоне от -200 до -100°С – 0,1°С в диапазоне от -99,9 до +650,0°С |
|
Разрешающая способность задания уставки |
0,1°С |
|
Диапазон задания температурного гистерезиса (∆) от 0°С до – не более: |
– 125°С для ТСМ.50М – 400°С для ТСП.100П и ТСП. Pt100 *но не более (Туст – Тд), где: Туст – температура уставки; Тд – ближайшая к Туст граница диапазона регулирования температуры |
|
Разрешающая способность задания гистерезиса: |
- 0,1°С в диапазоне от 0 до +5°С - 1,0°С в диапазоне от +5 до +400°С |
|
Пределы допускаемой погрешности измерения температуры (без учета погрешности датчика) |
не более ±0,15% от измеряемой величины |
|
Количество выходных устройств |
2 |
|
Диапазон задания времени задержки включения/отключения выходного устройства «Нагрев» |
от 0 до 60 с. |
|
Диапазон задания времени задержки включения/отключения выходного устройства «Насос» |
от 0 до 15 с. |
|
Максимальное напряжение на входных электродах датчиков уровня |
3 В |
|
Ток в датчиках уровня |
не более 0,1 мА |
|
Защита входов датчиков уровня от высокого напряжения |
не менее 300 В |
|
Средняя наработка на отказ |
не менее 30000 ч |
|
Средний срок службы |
5 лет |
|
Потребляемая мощность |
не более 1,5 ВА |
|
Габаритные размеры корпуса |
72х88х54 мм |
|
Масса |
не более 0,20 кг |
|
Тип выходного устройства |
Максимальный ток нагрузки |
| электромагнитное реле |
– 8,0 А при 220 В 50Гц и cosφ = 0,4 – 16,0 А при 220 В 50Гц и cosφ= 1,0 |
| оптосимистор | 200 мА при 220 В 50 Гц |
| оптотранзистор |
50 мА при выходном напряжении от 5,5 до –6,5 В |
Области применения терморегулятора Ратар-02У:
- производство парогенераторов, отопительных и водогрейных котлов, фитобочек;
- мелкое производство пива, кисломолочной продукции и т.д.;
- фермерские хозяйства (для поддержания уровня и температуры воды);
- дачи и частные жилые дома (для создания автоматически работающей системы горячего водоснабжения, душа и т.д.).

Главный офис компании переезжает на новый адрес.
Уважаемые украинские коллеги, приборы НПК "Рэлсиб" г. Новосибирск вы можете легко и просто купить у нашего белорусского дилера ООО «Белросизмерение».
Задайте свой вопрос: