• Тепловая защита от перегрева электродвигателей, насосов, электрических и тепловых котлов и т.д.
• Сигнализация о превышении температуры
• Герметичный корпус из нержавеющей стали
• Высокая прочность
• На основе термобиметалла
• 8 конструктивных исполнений

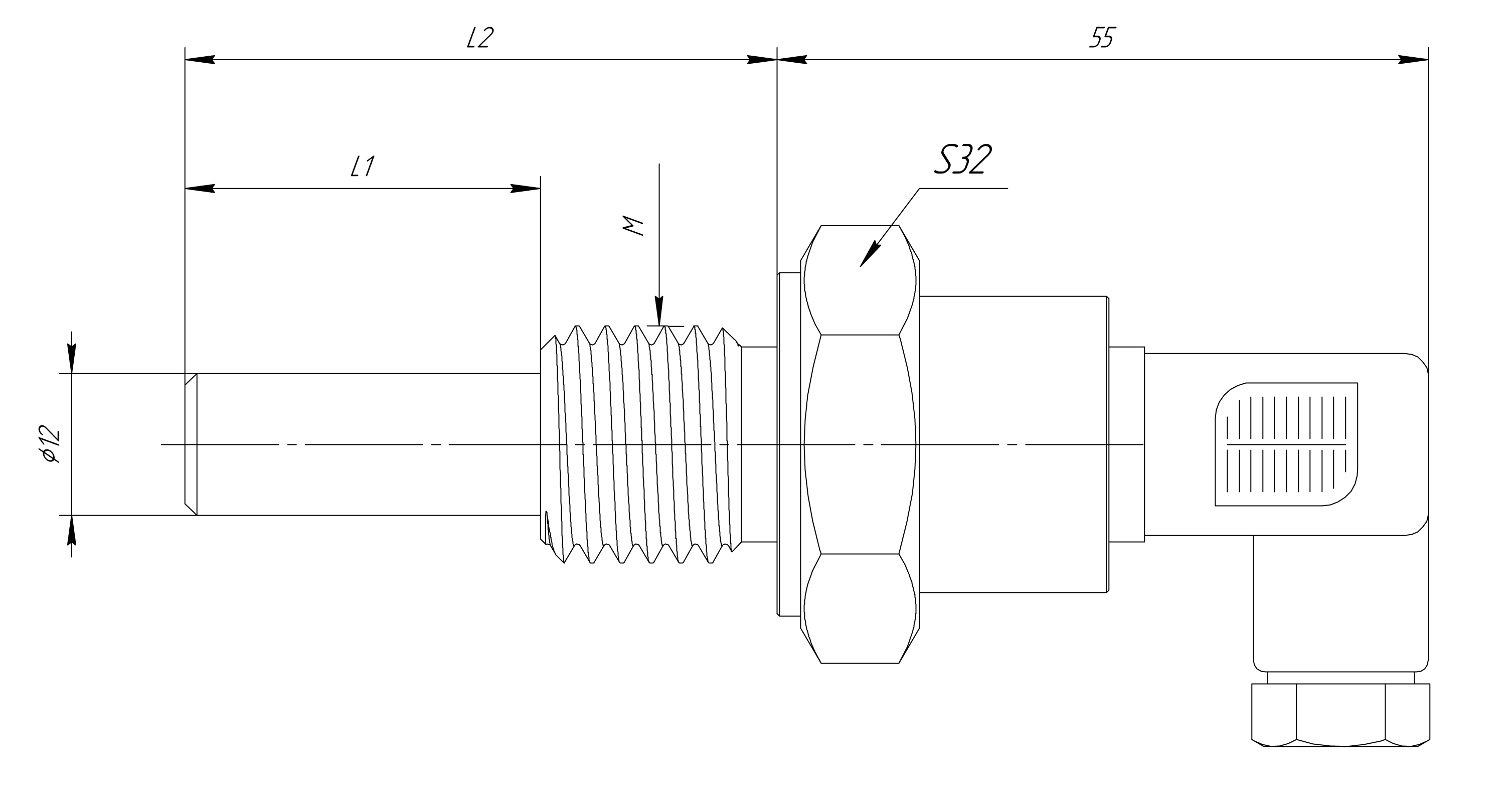
Тепловое реле РТ-3 предназначено для сигнализации и защиты от перегрева различного оборудования, в том числе электродвигателей, насосов, электрических, тепловых котлов и т.д. Реле изготовлено в герметичном корпусе из нержавеющей стали с резьбовым соединением.
Подключение теплового реле осуществляется через современный соединитель DIN43650.
Принцип действия теплового реле РТ-3 основан на скачкообразной деформации диска из термобиметалла при достижении определенной температуры (температуры срабатывания).
|
Внешний вид |
Номер исполнения |
М |
L1, мм |
L2, мм |
|
|
01 |
G 3/8 |
20 |
40 |
|
02 |
G 3/8 |
30 |
50 |
|
|
03 |
G 1/2 |
20 |
40 |
|
|
04 |
G 1/2 |
30 |
50 |
|
|
05 |
G 3/4 |
20 |
40 |
|
|
06 |
G 3/4 |
30 |
50 |
|
|
07 |
М 20х1,5 |
20 |
40 |
|
|
08 |
М 20х1,5 |
30 |
50 |
См. также: Термореле биметаллическое РТ-4 мгновенно срабатывающее
Реле температуры плавносрабатывающее РТ-5 (термостат)
|
Номинальное напряжение |
до 250 В 50 Гц |
|
Номинальный ток |
1,6 А при cosϕ=0,6 2,5 А при cosϕ=1,0 |
|
Количество коммутационных циклов, не менее |
10000 |
|
Максимальный ток |
4,0 А для 100 циклов |
|
Температура срабатывания (из диапазона) |
65…130°С |
|
Погрешность по температуре срабатывания |
±5°С |
|
Гистерезис |
15…45°С |
|
Напряжение пробоя в течение 1 мин. |
не менее 2000 В 50 Гц |
|
Степень защиты корпуса |
IP65 |
|
Максимальное давление в контролируемой среде |
4 МПа |
|
Масса |
не более 0,25 кг |
|
Средний срок службы |
10 лет |
Реле температурное РТ-3 предназначено для сигнализации и защиты от перегрева различного оборудования, в том числе электродвигателей, насосов, электрических и других тепловых котлов и т.д.
Главный офис компании переезжает на новый адрес.
Уважаемые украинские коллеги, приборы НПК "Рэлсиб" г. Новосибирск вы можете легко и просто купить у нашего белорусского дилера ООО «Белросизмерение».
Задайте свой вопрос: